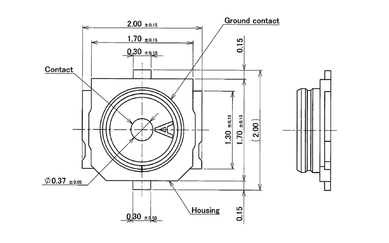
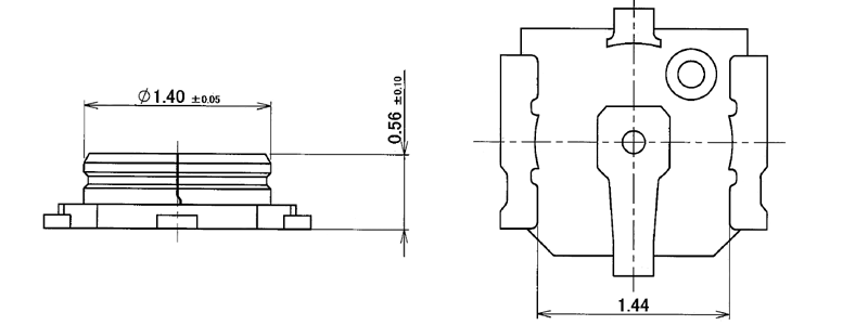
Technical Specifications:
1. Frequency Range : DC up to 6GHz
2. VSWR : 1.3MAX at 0.1-3GHz, 1.4MAX at 3-6GHz
3. Characteristic Impedance : 50 ohm ( Nominal )
4. Temperature : -40℃ to +90℃
5. Rated Voltage : AC 60V
6. Contact Resistance : 20m ohm MAX. ( Signal ) and 10m ohm MAX. ( Ground )
7. Withstand Voltage : AC 200V
8. Insulation Resistance : 500M ohm MIN. / DC 100V
9. Packing: 20566-001E-01, Plastic reel, 10000pcs/reel



