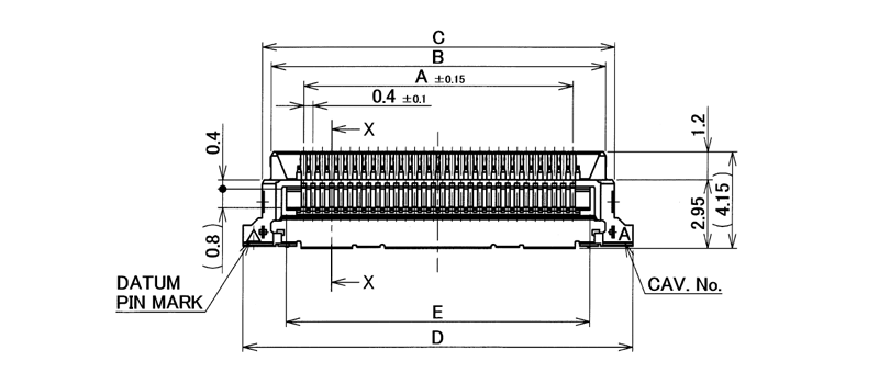
Technical Specifications:
1. Plug P/N: 20346-040T-32R
2. 0.4mm Pitch, Horizontal Type
3. Number of Position: 10P, 15P, 20P, 25P, 30P, 35P, 40P
4. Mating Height: 1.0mm Max
5. Applicable Cable: Micro Coax AWG#40,#42,#44
6. Rated Voltage: 100V AC
7. Rated Current: 0.3A AC/DC[AWG#40],0.24A AC/DC[AWG#42],0.1A AC/DC[AWG#44]
8. Withstand Voltage: AC 250V(rms)
9. Insulation Resistance: Initial 1000MΩ MIN./DC500V; After testing 500MΩ MIN./DC500V
10.Operating Temperature:-40℃ - +85℃
11.Mating Receptacle: I-PEX 20347-340E-12R


