Technical Specifications:
1. Receptacle P/N: 20374-R40E-31
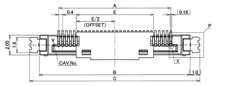
2. 0.4mm Pitch, Right Angle Stacking Type
3. Number of Position: 10P, 14P, 20P, 30P, 32P, 35P,40P, 50P
4. Mating Height: 1.85mm Max
5. Applicable Cable: Micro Coax AWG#36,#40,#42
6. Rated Voltage: 100V AC
7. Rated Current: 0.35A AC/DC[AWG#36],0.25A AC/DC[AWG#40],0.24A AC/DC[AWG#42]
8. Withstand Voltage: AC 250V(rms)
9. Insulation Resistance: Initial 1000MΩ MIN./DC500V; After testing 500MΩ MIN./DC500V
10.Operating Temperature:-40℃ - +85℃
11.Mating Plug: I-PEX 20373-R40T-06



